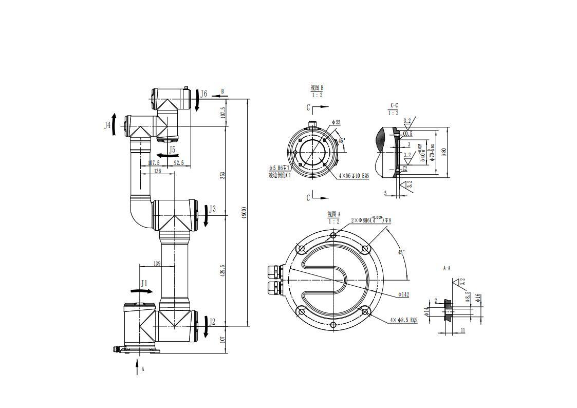
型號:TR05-900C(原TCR050) 負載:5kg 臂長:900mm

參數表
| TR05-900C | |||
| 負載 | 5kg | ||
| 臂長 | 900mm | ||
| 軸數 | 6 | ||
| 供電電源 | 690~264VAC,47~63Hz/48VDC | ||
| 編程 | 拖動示教,圖形化界面 | ||
| 安全 | 碰撞檢測、虛擬墻、協作模式等 20 余項可調安全功能 | ||
| 認證 | EN ISO13849-1,Cat.3,EN ISO10218-1, 歐盟 CE 認證 | ||
| 重復定位精度 | ±0.03mm | ||
| 防護等級 | IP54/IP67 | ||
| 最大速度 | J1 | 180°/s | |
| J2 | 180°/s | ||
| J3 | 180°/s | ||
| J4 | 180°/s | ||
| J5 | 180°/s | ||
| J6 | 180°/s | ||
| 最大動作范圍 | J1 | ±175° | |
| J2 | ±175° | ||
| J3 | -245°~65° | ||
| J4 | ±175° | ||
| J5 | ±175° | ||
| J6 | ±360° | ||
| 噪音級 | Laeq≤85dB(A) | ||
| 額定功率 | 2.55kw | ||
| 適用環境 | 運行環境溫度 | 0~45°C | |
| 環境濕度 | 20%~80%RH(無冷凝) | ||
| 本體重量 | 26kg |
||
| 適用控制柜 | TRC5-G06 | ||
| 安裝方式 | 任意角度安裝 | ||
參數圖

